首页
产品中心
智能串口屏F1系列
智能串口屏E系列
智能串口屏F系列
智能串口屏M系列
智能串口屏T系列
工业组态屏PLC一体机
物联型智能安卓屏系列
单色LCD图形点阵系列
单色LCD升级彩屏系列
单色LCD字符点阵系列
TFT彩屏RGB接口系列
智能串口屏F3系列
DVI接口系列
解决方案
社区居民换电整体解决方案
锂电池门店租赁解决方案
电动车租赁整体解决方案
二三轮车充换电解决方案
新闻资讯
公司新闻
视频专栏
下载中心
关于我们
关于我们
企业文化
荣誉专利
发展历程
公司环境
加入我们
联系我们
商城
1688
淘宝店
中文(简体)
中文(简体)
English
咨询热线
18988793485
首页
-
新闻资讯
-
公司新闻
全部
公司新闻
视频专栏
下载中心
全部
公司新闻
视频专栏
下载中心
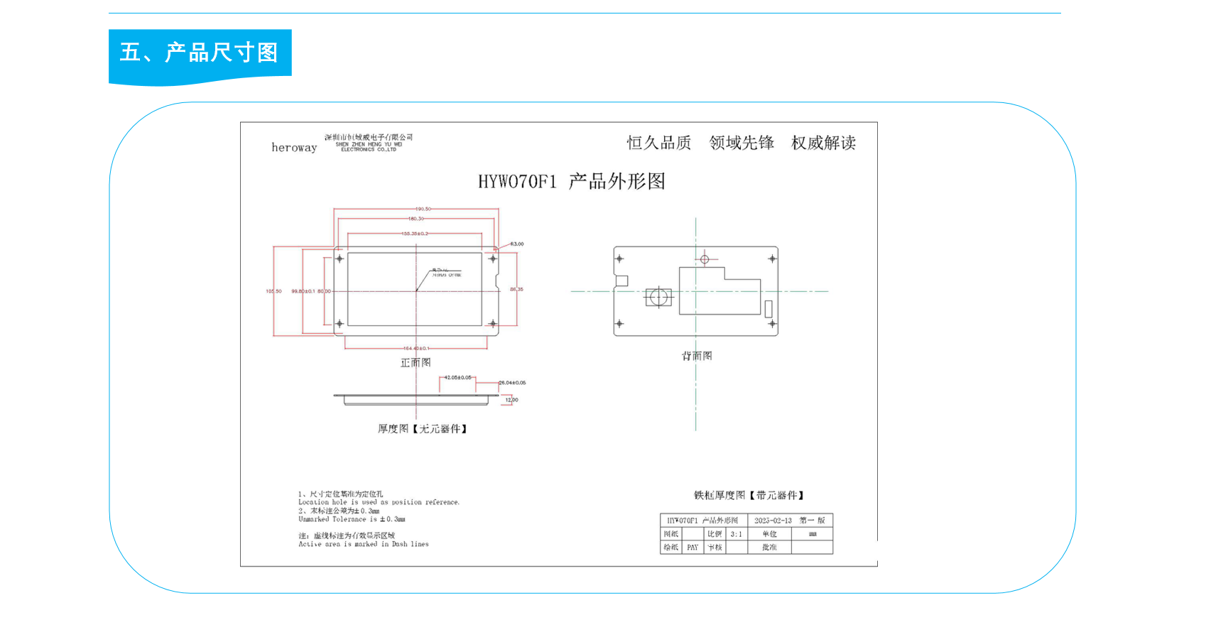
恒域威:推出高性能、高性价比7寸系列HYW070F1
发布日期:
2025-06-19
编辑:恒域威电子
上一篇:恒域威:推出新版黑色外壳7寸串口屏HYW070FFV2.0
下一篇:恒域威通过医级认证-Class-B《EMC检测证书》·高性能~
推荐新闻
恒域威品牌企业宣传
恒域威串口屏:工业级人机交互的可靠之选
在工业自动化与智能制造的浪潮中,串口屏作为设备的“智慧窗口”,承担着数据显示、指令输入与状态监控的核心功能。深圳市恒域威电子有限公司深耕行业20年,凭借工业级可靠性、定制化能力与全生命周期服务,成为电力、医疗、新能源等领域客户的信赖之选,其产品已广泛应用于霍尼韦尔、长江电力、宁德时代等行业巨头的关键设备中。
在线咨询
在线咨询
销售热线:
0755-29100074
技术支持:
18988793485
微信咨询
加我微信咨询
返回顶部